* 2021 정보처리기능사 필기 과목 시험대비를 위해 작성한 글입니다.
제1과목 전자계산기 일반의 순서 논리 회로에 관하여 최소한 알아 두어야 할 개념을 기록해 두었습니다.
개인적인 자격증 공부 기록용으로 작성한 글이기에, 잘못된 내용이 있을 수 있습니다.
# 순서 논리 회로 (Sequential Logic Circuit)
순서 논리회로는, 조합 논리회로와 플립플롭으로 구성한 논리 회로이며, 출력이 입력과 전 상태의 출력에 의해 결정되는 회로입니다.
따라서, 순서 논리회로는 기억 능력을 가지며 하나의 "기억장치" 라고 할 수 있습니다.
# 플립플롭(Flip-Flop)
플립플롭(Flip-Flop)이란, 1비트('0'or'1')의 정보를 기억할 수 있는 최소의 기억 소자 이며,
전원이 공급된다면, 신호를 받을 때 까지, 현재의 상태를 유지하는 논리회로 입니다.
다음으로, 플립플롭의 종류와 각 플립플롭의 특징에 대해서 알아봅시다.
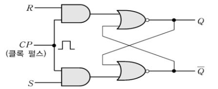
#1 RS(Reset/Set) 플립플롭
Reset 단자, Set 단자의 신호에 따라서, 2진수 한 자리를 기억합니다.
Reset 단자에만 신호를 보내면 플립플롭은 '0'값을 기억하며,
Set 단자에만 신호를 보내면 플립플롭은 '1'값을 기억합니다.
그러나, Reset Set 단자에 모두 신호를 보내면 모순이 발생하여 동작이 되지 않습니다.
[RS 플립플롭 진리표]
| R | S | Q(t+1) |
| 0 | 0 | 상태불변 |
| 1 | 0 | 0(Reset) |
| 0 | 1 | 1(Set) |
| 1 | 1 | 모순(동작x) |
[RS 플립플롭 회로도]

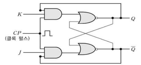
#2 JK(Jack/King) 플립플롭
RS 플립플롭에서, Reset과 Set 단자에 모두 신호를 보내면 모순이 발생해 동작하지 않는다고 배웠습니다.
JK 플립플롭은 이러한 RS 플립플롭의 문제점을 보완한 플립플롭입니다.
또한 다른 모든 플립플롭의 기능을 대용할 수 있기에, 응용 범위가 넓고, 가장 널리 사용됩니다.
[JK 플립플롭 진리표]
| J | K | Q(t+1) |
| 0 | 0 | 상태불변 |
| 0 | 1 | 0 |
| 1 | 0 | 1 |
| 1 | 1 | 상태반전 |
[JK 플립플롭 회로도]

#3 D(Delay or Data) 플립플롭
입력값과 출력값이 같은 플립플롭으로, 입력 신호를 클록 펄스(CP)의 시간 간격만큼 지연(Delay)시켜 출력합니다.
RS 플립플롭에 인버터(Inverter,Not게이트)를 연결한 형태의 플립플롭입니다.
[D 플립플롭 진리표]
| D | Q(t+1) |
| 0 | 0 |
| 1 | 1 |
[D 플립플롭 회로도]

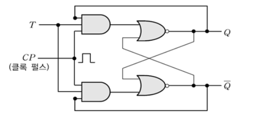
#4 T(Toggle) 플립플롭
JK플립플롭의 특수한 형태로, J와 K를 하나로 묶어 T(Toggle)로 표현합니다.
주로, 카운터 회로로 많이 사용되며, 누를 때 마다 ON,OFF가 교차되는 스위치에 이용됩니다.
입력값이 0이면, 상태 불변 / 입력값이 1이면 전 상태의 보수값을 표시합니다.
(여담으로, 마인크래프트 게임 에서도 제작이 가능하죠)
[T 플립플롭 진리표]
| T | Q(t+1) |
| 0 | Q(t) |
| 1 | Q(t)보수 |
[T 플립플롭 회로도]

'Certificate > 정보처리기능사' 카테고리의 다른 글
| [정보처리기능사] 주소 지정방식의 종류 내용정리 (0) | 2021.01.22 |
|---|---|
| 정보처리기능사 필기대비 제 2과목 패키지활용 ; 스프레드시트/프레젠테이션 내용정리 (0) | 2021.01.21 |
| 정보처리기능사 필기대비 제 2과목 패키지활용 ; SQL 명령어 종류정리 (0) | 2021.01.20 |
| 정보처리기능사 제 3과목 PC 운영체제 ; Windows 총정리 (0) | 2021.01.19 |
| 정보처리기능사 PC 제 3과목 운영체제 ; DOS 정리 (0) | 2021.01.19 |
댓글