* 2021 정보처리기능사 필기 과목 시험대비를 위해 작성한 글입니다.
제1과목 전자계산기 일반의 조합 논리회로에 관하여 최소한 알아 두어야 할 개념을 기록해 두었습니다.
개인적인 자격증 공부 기록용으로 작성한 글이기에, 잘못된 내용이 있을 수 있습니다.
#0 조합 논리회로
이전의 입력에 관계없이, 현재의 입력값에 의해서만 출력값이 결정되는 회로로, 기억 기능을 지니고 있지 않습니다.
다른 성질의 회로와 결합하여 복잡한 형태의 회로를 구성합니다.
#1 반가산기(HA; Half Adder)
2진수 1자리(1Bit)의 A와 B를 더한 합(Sum)과, 자리 올림수(Carry)를 얻는 회로로, 2개의 입출력 값을 가집니다.
AND 게이트와, XOR 게이트로 구성되어 있습니다.
[진리표]
A | B | 합(S) | 자리 올림수(C) |
0 | 0 | 0 | 0 |
0 | 1 | 1 | 0 |
1 | 0 | 1 | 0 |
1 | 1 | 0 | 1 |
XOR게이트 | AND게이트 |
[회로도]
[논리식]
S = A'*B + A*B' = A(XOR)B
C = A*B
#2 전가산기(FA; Full Adder)
두 비트(A,B)와 전 상태의 자리 올림수(C0)를 더해 합(S)과 최종 자리 올림수(C0)를 얻는 회로입니다.
3개의 입력값(A,B,C0) 과 2개의 출력값(S,C1)을 가집니다.
2개의 반가산기와 1개의 OR게이트로 구성되어 있습니다.
[진리표]
A | B | C0 | 합(S) | 자리 올림수(C1) |
0 | 0 | 0 | 0 | 0 |
0 | 0 | 1 | 1 | 0 |
0 | 1 | 0 | 1 | 0 |
0 | 1 | 1 | 0 | 1 |
1 | 0 | 0 | 1 | 0 |
1 | 0 | 1 | 0 | 1 |
1 | 1 | 0 | 0 | 1 |
1 | 1 | 1 | 1 | 1 |
[회로도]
[논리식]
S = A(XOR)B(XOR)C
C1 = A*B+(A(XOR)B)*C0
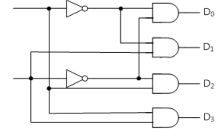
#3 디코더(Decoder/해독기)
디코더는 AND게이트로 구성되며, n개의 입력을 받아들여, 2^n개의 데이터를 출력합니다.
[진리표]
A | B | D0 | D1 | D2 | D3 |
0 | 0 | 1 | 0 | 0 | 0 |
0 | 1 | 0 | 1 | 0 | 0 |
1 | 0 | 0 | 0 | 1 | 0 |
1 | 1 | 0 | 0 | 0 | 1 |
[회로도]
#4 인코더(Encoder/부호기)
인코더는 OR게이트로 구성되며, 2^n개의 입력을 받아들여 n개의 데이터를 출력합니다.
특정 값을 여러 자리 2진수로 변환하거나, 특정 장치로 부터의 신호를 여러 개의 2진 신호로 변환시키는 장치입니다.
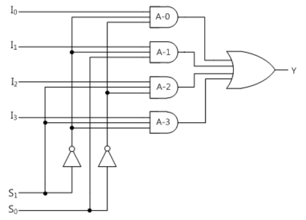
#5 멀티플렉서(Multiplexer, MUX)
멀티플레서는 2^n개의 입력을 받아들여 하나의 출력선으로 정보를 출력하는 논리회로 입니다.
[진리표]
S0 | S1 | L0 | L1 | L2 | L3 |
0 | 0 | 1 | 0 | 0 | 0 |
0 | 1 | 0 | 1 | 0 | 0 |
1 | 0 | 0 | 0 | 1 | 0 |
1 | 1 | 0 | 0 | 0 | 1 |
[회로도]
#6 디멀티플렉서(Demultiplexer)
하나의 입력 신호를 받아들여 2^n개의 출력선 중 하나의 선을 선택하여 출력하는 회로입니다.
댓글